令和2年度
問題6
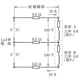
- 図のような単相3線式配電線路において、負荷A、負荷Bともに負荷電圧100V、負荷電流10A、力率0.8(遅れ)である。
- イ.102
- ロ.104
- ハ.112
- ニ.120
このとき、電源電圧Vの値[V]は。 ただし、配電線路の電線1線当たりの抵抗は0.5Ωである。
なお、計算においては、適切な近似式を用いること。
【解説】
負荷電圧100Vの時の電源電圧Vの値[V]を求める問題なので電圧降下を求めればいいことになります。
ここで重要なことは負荷A、負荷Bともに負荷電流10[A]で力率もともに力率0.8なので、真ん中の電線(中性線)には電流が流れていない事が分かります。従って1相分だけの電圧降下を求めます。

より
10 x (0.5 x 0.8) = 4V
になりますので
負荷電圧100V + 電圧降下4V=電源電圧104Vになります。
【答え・ロ】
問題7
- 図のように、三相3線式構内配電線路の末端に、力率0.8(遅れ)の三相負荷がある。
- イ.0
- ロ.1.6
- ハ.2.4
- ニ.2.8
この負荷と並列に電力用コンデンサを設置して、線路の力率を1.0に改善した。
コンデンサ設置前の線路損失が2.5kWであるとすれば、設置後の線路損失の値[kW]は。
ただし、三相負荷の負荷電圧は一定とする。
【解説】
電線路の電力損失はP=3I2r[W]で表されます。
コンデンサ設置前と設置後の消費電力は等しい。
- コンデンサ設置前に配電電路に流れる電流・・・・I1
- コンデンサ設置後に配電電路に流れる電流・・・・I
消費電力は以下の式になります。

I=0.8I1[A]
配電線路の電線1本当たりの抵抗をr[Ω]とすると、
コンデンサ設置前の線路損失は、次の式で求めることができます。
3I12r=2500[W]
次にコンデンサ設置後の線路損失は次のようになります。3I12r=3(0.8I1)2r=3x0.64I12r
=3I12r x 0.64=2500 x 0.64=1600[W]=1.6[kW]
【答え・ロ】
問題8
- 図のように、変圧比が6300/210Vの単相変庄器の二次側に抵抗負荷が接続され、その負荷電流は300Aであった。このとき、変圧器の一次側に設置された変流器の二次側に流れる電流I[A]は。
- イ.2.5
- ロ.2.8
- ハ.3.0
- ニ.3.2
ただし変流器の変流比は20/5Aとし、負荷抵抗以外のインピーダンスは無視する。
【解説】
変圧器の一次側に流れる電流I1[A]は
6300 x I1 = 210 x 300
I1 =10[A]
になります。
変圧器の変流比は20/5[A]となっていますので、二次電流は
10[A]×(5/20)=2.5[A]となります。
【答え・イ】
問題9
- 負荷設備の合計が500kWの工場がある。ある月の需要率が40%、負荷率が50%であった。この工場のその月の平均需要電力[kW]は。
- イ.100
- ロ.200
- ハ.300
- ニ.400
【解説】
平均需要電力[kW]を求める問題です。
以下の公式を使います。


【答え・イ】
問題10
- 定格電圧200V、定格出力11kWの三相誘導電動機の全負荷時における電流[A]は。
- イ.23
- ロ.36
- ハ.44
- ニ.81
ただし、全負荷時における力率は80%、効率は90%とする。
【解説】
三相誘導電動機の出力P0[W]、入力P1[W]は効率ηは次の関係式にあります。


【答え・ハ】
Sponsored link





