令和2年度
問題1
- 図のように、静電容量6μFのコンデンサ3個を接続して、直流電圧120Vを加えたとき、図中の電圧V1の値[V]は。
- イ.10
- ロ.30
- ハ.50
- ニ.80
【解説】
この問題は以下の公式を使用します。
つまり

になります。
【答え・二】
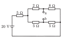
問題2
- 図のような直流回路において、a-b間の電圧[V]は。
- イ.2
- ロ.3
- ハ.4
- ニ.5
【解説】
まず回路の合成抵抗を求めます。

回路全体に流れる電流は

オームの法則V=IR[V]より、並列の合成抵抗値5[Ω]にかかる電圧は、 V=2[A]×5[Ω]=10[V]となります。


Vab=Va-Vb=8-5=3[V]
【答え・ロ】
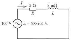
問題3
- 図のように、角周波数がω=500rad/s、電圧100Vの交流電源に、抵抗R=3ΩとインダクタンスL=8mHが接続されている。回路に流れる電流Iの値[A]は。
- イ.9
- ロ.14
- ハ.20
- ニ.33
【解説】
以下の公式を使います。

になります。
回路のインピータンスZ(Ω)は

【答え・ハ】
問題4
- 図のような交流回路において、抵抗12Ω、リアクタンス16Ω、電源電圧は96Vである。この回路の皮相電力[V・A]は。
- イ.576
- ロ.768
- ハ.960
- ニ.1344
【解説】
抵抗12Ωとリアクタンス16Ωに流れる電流は以下のように求めます。


S=VIより
S=96 x 10=960
【答え・ハ】
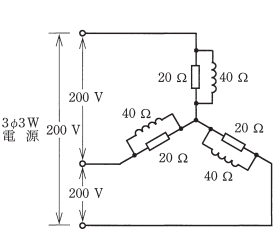
問題5
- 図のような三相交流回路において、電源電圧は200V、抵抗は20Ω、リアクタンスは40Ωである。この回路の全消費電力[kW]は。
- イ.1.0
- ロ.1.5
- ハ.2.0
- ニ.12
【解説】
全消費電力を求めるので今回はリアクタンスは40Ωは一切考えなくていいと思います。

P=3I2Rより

【答え・ハ】
Sponsored link





