令和元年度
図は、三相誘導電動機( Y ? Δ 始動 )の始動制御回路図である。
[注] 図において、問いに直接関係のない部分等は、省略又は簡略化してある。

問題41
- ①で示す部分の押しボタンスイッチの図記号の組合せで、正しいものは。
- イ.
- ロ.
- ハ.
- ニ.

【解説】
①は、押しボタンスイッチです。
問題はA、Bがどちらがa接点、b接点になるかです。
Bがa接点でONになるとMCが作動し横のMCがONになり自己保持回路が成立する。
Aがb接点でOFFにするときに開放すると自己保持回路が切れてOFFになる。
従ってイが正解です。
【答え・イ】
問題42
- ②で示すブレーク接点は。
- イ.手動操作残留機能付き接点
- ロ.手動操作自動復帰接点
- ハ.瞬時動作限時復帰接点
- ニ.限時動作瞬時復帰接点
【解説】
②で示すブレーク接点は、動作するときに時間遅れがある接点で、ニの「限時動作瞬時復帰接点」です。
【答え・ニ】
問題43
- ③の部分のインタロック回路の結線図は。




【解説】
③の部分のインタロック回路の部分にはb接点が入ります。
インターロックのためMC1の回路にはMC2のb接点、MC2の回路にはMC1のb接点が入ります。
【答え・ロ】
問題44
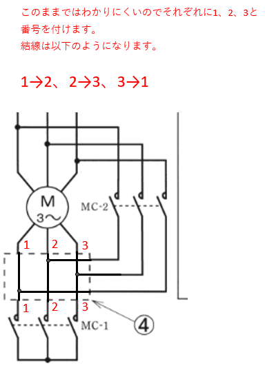
- ④の部分の結線図で、正しいものは。




【解説】
この問題は、スターデルタ始動法の問題となります。始動時は、MC-1でスター結線し、一定時間が経つと自動でMC-2に切り替わりデルタになります。(デルタ結線で運転になります)
デルタ結線は、スター結線から一つずつずれるように結線します。
つまり以下の図のようになります。

【答え・ハ】
問題45
- ⑤で示す図記号の機器は。




【解説】
⑤はハになります。THRは熱動継電器です。
サーマルリレーと言われています。
- イは補助継電機器です。
- ロは電磁開閉器(電磁接触器(MC)+サーマルリレー(THR))です。
- ニはTLR(タイムラグリレー)です。

【答え・ハ】
Sponsored link





