令和元年度
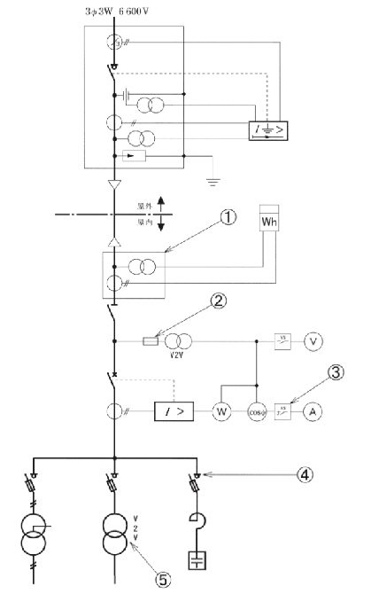
図は、高圧受電設備の単線結線図である。
[注] 図において、問いに直接関係のない部分等は、省略又は簡略化してある。

問題46
- ①で示す機器の文字記号(略号)は。
- イ.VCB
- ロ.MCCB
- ハ.OCB
- ニ.VCT
【解説】
VCT(電力需給用計器用変成器)です。
- イはVCB(真空遮断器)
- ロはMCCB(配線用遮断器)
- ハはOCB(油遮断器)
【答え・ニ】
問題47
- ②で示す装置を使用する主な目的は。
- イ.計器用変圧器の内部短絡事故が主回路に波及することを防止する。
- ロ.計器用変圧器を雷サージから保護する。
- ハ.計器用変圧器の過負荷を防止する。
- ニ.計器用変圧器の欠相を防止する。
【解説】
②で示す装置は、計器用変圧器(VT)の限流ヒューズです。このヒューズは、内部短絡事故が主回路に波及することを防止する役目があります。
限流ヒューズの前にV2VとありますがこれはVTが2台あるということです。ヒューズはVT1台に付き2本なので、合計で4本のヒューズが付いています。
【答え・イ】
問題48
- ③に設置する機器は。




【解説】
③は電流計用切換スイッチです。(R,S,Tの文字が書かれています。)
- ロは制御用の切換スイッチ
- ハは押しボタン
- 二は電圧計用切換スイッチ(RS, ST, TRの文字が書かれています。)
【答え・イ】
問題49
- ④で示す部分で停電時に放電接地を行うものは。




【解説】
停電時に放電接地を行うものはハの放電用接地棒です。
- イは低圧用の検相器
- ロは高圧用の検相器
- 二は風車型の検電器
【答え・ハ】
問題50
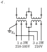
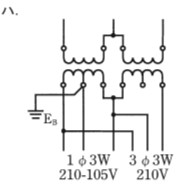
- ⑤で示す変圧器の結線図において、B種接地工事を施した図で、正しいものは。




【解説】
中間引き出し単相変圧器2台によるV-V結線であるため、共用変圧器の二次側の中性点をB種接地工事を行ったものが正しい。従ってハが正しい。
【答え・ハ】
Sponsored link





