令和元年度
問題1
- 図のように、2本の長い電線が、電線間の距離 d[ m ]で平行に置かれている。




両電線に直流電流 I[ A ]が互いに逆方向に流れている場合、これらの電線間に働く電磁力は。

【解説】
2本の電線に流れる電流の向きが反対の時、磁束は、電線間は密になり、外側は疎になります。
このことによって、互いに反発しあう電磁力F[N](斥力)が発生します。
斥力の求め方は下記の通りです。

【答え・ハ】
問題2
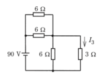
- 図の直流回路において、抵抗3Ωに流れる電流 I3の値[ A ]は。
- イ.3
- ロ.9
- ハ.12
- ニ.18
【解説】
まず回路の合成抵抗を求めます。

従って回路に流れる電流は
V=IRより


V=IRより
V=18 x 3 = 54Vの電圧が加わります。
従って②の回路には残りの36V加わることになり
I3には

【答え・ハ】
問題3
- 図のような交流回路において、電源が電圧 100 V、周波数が 50 Hzのとき、誘導性リアクタンス XL=0.6 Ω、容量性リアクタンス XC=12 Ωである。この回路の電源を電圧 100 V、周波数 60 Hzに変更した場合、回路のインピーダンス[ Ω ]の値は。
- イ.9.28
- ロ.11.7
- ハ.16.9
- ニ.19.9
【解説】
周波数が50Hzから60Hzに変更になった場合、
誘導性リアクタンス:60/50倍
容量性リアクタンス:50/60倍 になります。
周波数変更後のリアクタンスを計算します。
誘導性リアクタンス:0.6×60/50=0.72(Ω)
容量性リアクタンス:12×50/60=10(Ω)
誘導性リアクタンスと容量性リアクタンスは打ち消し合うのでその差が回路のインピーダンスになります。
10(Ω) - 0.72(Ω)=9.28(Ω)
問題4
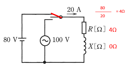
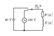
- 図のような回路において、直流電圧 80 Vを加えたとき、20 Aの電流が流れた。次に正弦波交流電圧 100 Vを加えても、20 Aの電流が流れた。リアクタンス X[ Ω ]の値は。
- イ.2
- ロ.3
- ハ.4
- ニ.5
【解説】
コイルは、直流に対して電流の妨げる性質はないので、誘導性リアクタンスは0Ωと考えていいと思います。
従って

次に交流回路ですが

【答え・ロ】
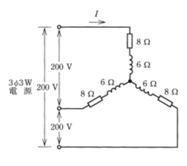
問題5
- 図のような三相交流回路において、電源電圧は 200 V、抵抗は8Ω、リアクタンスは6Ωである。この回路に関して誤っているものは。
- イ.1相当たりのインピーダンスは、10 Ωである。
- ロ.線電流 I は、10 Aである。
- ハ.回路の消費電力は、3200 Wである。
- ニ.回路の無効電力は、2400 varである。
【解説】 イの1相当たりのインピーダンスは、

この回路はY結線なので


【答え・ロ】
Sponsored link





